| Поз. | Обозначение | Наименование | Кол-во | Масса |
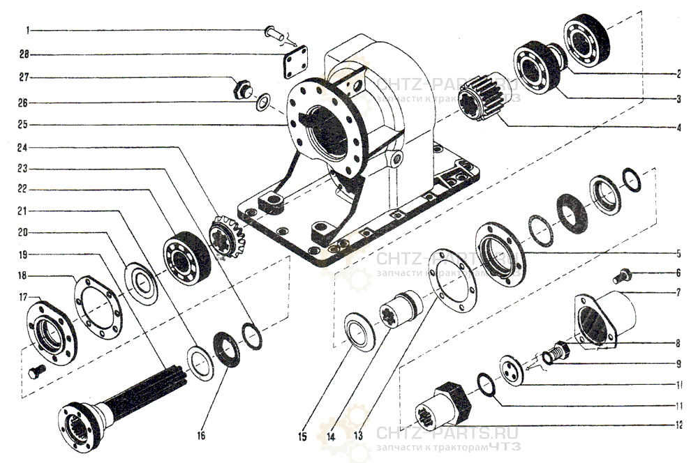
| 1 | 748 50-171СП 1 | Муфта фрикционная | 1 | 59,88 |
| 2 | 748-50-341 | Пробка | 1 | 2,35 |
| 3 | 748-50-340 | Диск опорный | 1 | 0,75 |
| 4 | 700-28-370 | Болт | 12 | 0,214 |
| 5 | 700-28-2340 | Болт | 1 | 0,214 |
| 6 | 748-50-215СП 2 | Муфта | 1 | 9,65 |
| 7 | ГОСТ 397—79 | Шплинт 4×32 | 6 | |
| 8 | ГОСТ 5932—73 | Гайка 2M18×1,5.6 | 6 | |
| 9 | 700 37 101СП | Масленка | 2 | 0,0174 |
| 10 | 748-50-127СП | Вал карданный | 1 | 15,91 |
| 11 | 748-50-397 | Уплотнение | 3 | 0,027 |
| 12 | 748-50-398 | Накладка | 3 | 0,055 |
| 13 | 748-50-148 | Крышка разрезная | 2 | 0,305 |
| 14 | ГОСТ 7796—70 | Болт 3М8-6g×20.88.35.019 | 10 | |
| 15 | 748-50-149 | Кольцо уплотнительное | 1 | 0,006 |
| 16 | 700-58-2461 | Кольцо | 1 | 0,05 |
| 17 | 748-12-73 | Крышка | 1 | 2,0 |
| 18 | 748-12-18 | Сальник | 1 | 0,032 |
| 19 | 748-12-61 | Штифт | 1 | 0,03 |
| 20 | 748-12-63 | Шестерня | 1 | 6,94 |
| 21 | 81010.946.000 | Гайка | 1 | 1,3 |
| 22 | 700-37-2129 | Пробка | 1 | 0,09 |
| 23 | 700-40-260-16 | Прокладка | 1 | 0,00016 |
| 24 | 748-12-115СП | Муфта | 1 | 9,6 |
| 25 | 748-12-57 | Прокладка | 1 | 0,0043 |
| 26 | 700-28-2342 | Болт | 15 | 0,034 |
| 27 | 712-14-273 | Шайба | 1 | 0,06 |
| 28 | 712-14-274 | Кольцо | 1 | 0,005 |
| 29 | 700-28-2452 | Болт | 1 | 0,09 |
| 30 | 748-50-206 | Вал передний | 1 | 25,1 |
| 31 | 748-50-177 | Муфта | 1 | 3,35 |
| 32 | ГОСТ 397—79 | Шплинт 2×25 | 1 | |
| 33 | 3082 | Гайка | 1 | 0,15 |
| 34 | 748-50-535 | Фланец | 1 | ∣.7 |
| 35 | 748-50-536 | Кольцо разрезное | 2 | 0,135 |
| 36 | ГОСТ 17475—72 | Винт M4×10.48.05 | 18 | |
| 37 | — | Электродвигатель тяговый ЭДП-196 3 | 1 | |
| 38 | 748-50-570 | Шайба регулировочная | 2 | 0,033 |
| 39 | 748-50-571 | Шайба регулировочная | 2 | 0,043 |
| 40 | 748-50-572 | Шайба регулировочная | 2 | 0,065 |
|
1 Заказывать комплект 748-50-сб.193. 2 Заказывать комплект 748-50-203СП. 3 За исключением общепромышленного исполнения заказывать комплект 748-82-350СП. |
||||
| Поз. | Обозначение | Наименование | Кол-во | Масса |
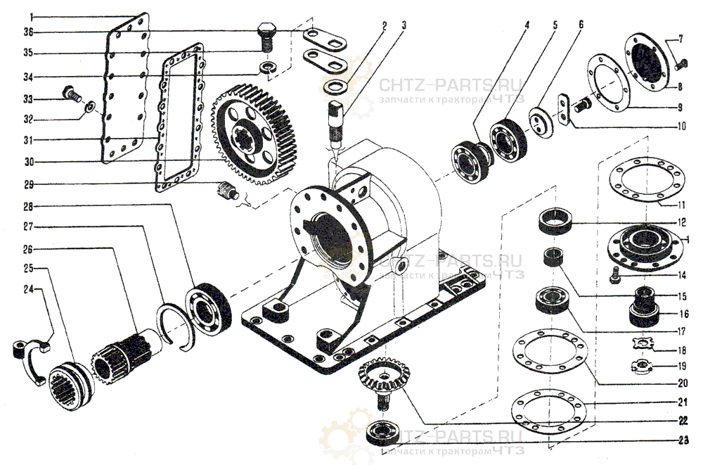
| 1 | 700-29-291 | Шпилька | 2 | 0,09 |
| 2 | 700-29-269 | Шпилька | 16 | 0,16 |
| 3 | 748-50-328 | Кожух | 1 | 1,66 |
| 4 | 748-50-467 | Муфта | 1 | 2,55 |
| 5 | 700-30-248 | Гайка | 1 | 0,483 |
| 6 | ГОСТ 7796—60 | Болт М8×16.46 | 4 | |
| 7 | ГОСТ 6402—70 | Шайба 8T 65Г 09 | 4 | |
| 8 | 748-50-288 | Прокладка | 2 | 0,0004 |
| 9 | 700-47-2108 | Ось | 1 | 0,010 |
| 10 | ГОСТ 11371—78 | Шайба 14.02 | 20 | |
| 11 | 351-19A | Гайка | 20 | 0,028 |
| 12 | ГОСТ 397—79 | Шплинт 3,2×32 | 20 | |
| 13 | 748-50-557 | Шток | 1 | 0,43 |
| 14 | ГОСТ 5915—70 | Гайка М8.6.019 | 3 | |
| 15 | ГОСТ 7796—70 | Болт М16×1,5×38.88.38ХС | 16 | |
| 16 | ГОСТ 6402—70 | Шайба 16 ОТ 65Г 09 | 16 | |
| 17 | 748-18-87 | Штифт | 3 | 0,027 |
| 18 | 748-50-125СП | Редуктор раздаточный | 1 | 95,0 |
| 19 | 748 17-632 | Вилка тяги | 1 | 0,06 |
| 20 | ГОСТ 5915—70 | Гайка М10.6.019 | 10 | |
| 21 | 748-50-394 | Прокладка | 1 | 0,015 |
| 22 | ГОСТ 6402—70 | Шайба 10 ОТ 65Г 09 | 10 | |
| 23 | ГОСТ 397—79 | Шплинт 2×16 | 1 | |
| 24 | 700-31-533 | Шайба | 6 | 0,02 |
| 25 | 700-31-534 | Шайба | 6 | 0,037 |
| 26 | 700-31-535 | Шайба | 6 | 0,075 |
| 27 | 700-31-536 | Шайба | 3 | 0,15 |
| 28 | 700-31-537 | Шайба | 3 | 0,112 |
| 29 | 748-50-136 | Прокладка | 4 max | 0,007 |
| 30 | 748-60-130 | Штуцер | 2 | 0,092 |
| 31 | MH 4152-62 | Кольцо 20×26 | 4 | |
| 32 | 748-50-210СП | Труба | 1 | 0,266 |
| 33 | 748-50-218СП | Редуктор привода насоса | 1 | 53,3 |
| 34 | 748-50-209СП | Редуктор привода генератора | 1 | 136,5 |
| 35 | ГОСТ 397—79 | Шплинт 6,3×60 | 1 | |
| 36 | 748-50-319 | Прокладка | 4 | 0,022 |
| 37 | 748-50-320 | Прокладка | 4 | 0,04 |
| 38 | 748-50-321 | Прокладка | 4 | 0,066 |
| 39 | 748-50-409 | Втулка | 5 | 0,1 |
| 40 | ГОСТ 11371—78 | Шайба 24.02 | 8 | |
| 41 | 700-28-382 | Болт | 8 | 0,394 |
| 42 | 748-50-317 | Прокладка | 4 | 0,004 |
| 43 | 748-50-318 | Прокладка | 4 | 0,011 |
| 44 | 700-32-221 | Штифт | 2 | 0,12 |
| 45 | 700-28-398 | Болт | 2 | 0,66 |
| 46 | 748-50-393 | Прокладка | 1 | 0,048 |
| 47 | 700-29-268 | Шпилька | 4 | 0,09 |
| 48 | — | Генератор постоянного тока ГПЛ-222 с возбудителем ДК-91ЗА 4 | 1 | 1224,8 |
| 49 | 748-21-75 | Кольцо | 1 | 0,008 |
| 50 | ГОСТ 397—79 | Шплинт 4×36 | 1 | |
| 51 | ГОСТ 5932—73 | Гайка 2M18×1,5.6 | 2 | |
| 52 | ГОСТ 11371—78 | Шайба 18.02 | 2 | |
| 4 За исключением общепромышленного исполнения заказывать комплект 748-82-349СП. | ||||
| Поз. | Обозначение | Наименование | Кол-во | Масса |
| 1 | ГОСТ 10299—68 | Заклепка 3×14-32 | 4 | |
| 2 | 748-50-543 | Шайба | 1 | 0,008 |
| 3 | ГОСТ 8338—75 | Подшипник 213 | 2 | |
| 4 | 748-50-501 | Шестерня | 1 | 2,35 |
| 5 | 748-50-153 5 | Крышка | 1 | 1,05 |
| 6 | ГОСТ 7796—70 | Болт 3М8-6g×20.88.35 | 14 | |
| 7 | 748-50-205СП | Чехол | 1 | 0,8 |
| 8 | 700-28-2197 | Болт | 3 | 0,044 |
| 9 | 301-161А | Кольцо | 3 | 0,005 |
| 10 | 748-50-499 | Крышка | 1 | 0,24 |
| 11 | 700-40-2014 | Кольцо | 2 | 0,0016 |
| 12 | 748-50-498 | Втулка | 1 | 1,44 |
| 13 | 748-50-160 | Прокладка | 8 max | 0,005 |
| 14 | 748-50-162 | Втулка распорная | 1 | 0,608 |
| 15 | 748-50-157 | Кольцо маслоотражательное | 1 | 0,055 |
| 16 | 701-212-62 5 | Манжета | I | 0,007 |
| 17 | 748-50-152 5 | Крышка | 1 | 1,0 |
| 18 | 748-50-274 | Прокладка | 5 max | 0,∞5 |
| 19 | 748-50-497 | Вал ведущий | 1 | 8,306 |
| 20 | 748-50-156 | Кольцо маслоотражательное | 1 | 0,055 |
| 21 | 700-42-2458 | Кольцо | I | 0,133 |
| 22 | ГОСТ 8338—75 | Подшипник 312 | 1 | |
| 23 | 701-212-63 5 | Пружина | I | 0,007 |
| 24 | 748-50-380 6 | Шестерня | 1 | 0,65 |
| 25 | 748-50-267 | Крышка | I | 1,05 |
| 26 | 700-40 260-11 | Прокладка | 1 | 0,0007 |
| 27 | 700-37-317-01 | Пробка | I | 0,048 |
| 28 | 700-42-2275 | Табличка | I | 0,0065 |
|
5 Детали 701-212-63 и 748-50-152 заказывать комплектом 748-50-122СП. Детали 700-58-2458, 701-212-62, 701-212-63 и 748-50-153 заказывать комплектом 748-50-123СП. 6 Заказывать комплект 748-50-сб. 176. |
||||
| Поз. | Обозначение | Наименование | Кол-во | Масса |
| 1 | 748-50-267 | Крышка | I | 1,05 |
| 2 | 748-50-181 | Сальник | 1 | 0,0018 |
| 3 | 748-50-378 | Валик | 1 | 0,108 |
| 4 | 748-50-544 | Шайба | 1 | 0,007 |
| 5 | ГОСТ 8338—75 | Подшипник 212 | 2 | |
| 6 | 748-16-88 | Крышка | 1 | 0,196 |
| 7 | I OCT 7796—70 | Болт 3М8×16.46 | 6 | |
| 8 | 748-50-447 | Крышка | 1 | 0,35 |
| 9 | 748-50-161 | Прокладка | 8 max | 0,004 |
| 10 | 748-50-450 | Планка | 1 | 0,01 |
| 11 | 748-50-391 | Прокладка | 3 max | 0,071 |
| 12 | 748-50-384 | Втулка | 1 | 0,18 |
| 13 | 748-50-382 | Стакан | 1 | 3,25 |
| 14 | ГОСТ 7796—70 | Болт 3М10-6g×25.58 | 8 | |
| 15 | 748-50-383 | Втулка | I | 0,11 |
| 16 | 748-50-144СП | Муфта | 1 | 0,55 |
| 17 | ГОСТ 8328—75 | Подшипник 42207 | 1 | |
| 18 | 700-31-490 | Шайба стопорная | 1 | 0,0036 |
| 19 | 700-30-2322 | Гайка | 1 | |
| 20 | 748-50-389 | Прокладка | 3 max | 0,011 |
| 21 | 748-50-390 | Прокладка | 3 max | 0,067 |
| 22 | 748-50-381 6 | Шестерня | 1 | 0,95 |
| 23 | ГОСТ 8338—75 | Подшипник 207 | 1 | |
| 24 | 748-50-379 | Вилка | I | 0,17 |
| 25 | 748-50-513 | Корпус редуктора | 1 | 64,0 |
| 26 | 748-50-484 | Вал ведомый | I | 4,7 |
| 27 | 700-39-144 | Кольцо пружинное | 1 | 0,06 |
| 28 | ГОСТ 8338—75 | Подшипник 214 | 1 | |
| 29 | 748-59-164 | Стопор | 1 | 0,003 |
| 30 | 748-50-445 | Шестерня | I | 7,32 |
| 31 | 748-50-268 | Прокладка | 1 | 0,008 |
| 32 | ГОСТ 6402—70 | Шайба 10 ОТ 65Г 09 | 16 | |
| 33 | ГОСТ 7796—70 | Болт М10×25.46 | 18 | |
| 34 | ГОСТ 6402—70 | Шайба 8Т 65Г 09 | 1 | |
| 35 | ГОСТ 7796—70 | Болт М8×20.46 | 1 | |
| 36 | 748-50-449 | Пластина | 2 | 0,017 |
| 6 Заказывать комплект 748-50-сб.176. | ||||
| Поз. | Обозначение | Наименование | Кол-во | Масса |
| 1 | 748-50-152СП | Барабан ведущий | 1 | 24,5 |
| 2 | 701-02-539 | Конус | 1 | 0,4 |
| 3 | 748-50-344 | Кольцо опорное | 1 | 0,145 |
| 4 | 748-50-354 | Конус | 1 | 0,5 |
| 5 | 748-50-297 | Втулка | 2 | 0,096 |
| 6 | — | Штифт 10u8×25 | 3 | |
| 7 | 748-50-154СП 7 | Барабан ведомый | 1 | 15,7 |
| 8 | 375 OCT 23.1.117—83 | Пробка КГ 1/8" 20.089 | I | 0,0103 |
| 9 | 700-37-101СП | Масленка | 1 | 0,051 |
| 10 | 700-28-2339 | Болт | 9 | 0,025 |
| 11 | ГОСТ 6402—70 | Шайба 10 ОТ 65Г 09 | 9 | |
| 12 | 748-50-429 | Крышка | 1 | 3,2 |
| 13 | 700-38-2652 | Пружина | 12 | 0,032 |
| 14 | 700-38-669 8 | Пружина | 12 | 0,063 |
| 15 | 748-50-428 | Диск нажимной | 1 | 1,67 |
| 16 | 748-50-301 | Диск ведущий | 6 | 0,75 |
| 17 | 748-50-302 | Диск ведомый | 7 | 0,4 |
|
7 Заказывать комплект 748-50-200СП. 8 Заказывать комплект из 12 штук. |
||||
| Поз. | Обозначение | Наименование | Кол-во | Масса |
| 1 | 748-50-348 | Маслоотражатель | 1 | 1,01 |
| 2 | 748-50-345 | Крышка | 1 | 2,25 |
| 3 | ГОСТ 7796—70 | Болт 3М10×6g×25.58.019 | 20 | |
| 4 | 700-54-67 | Хомутик | 1 | 0,016 |
| 5 | 700-29-276 | Шпилька | 1 | 0,076 |
| 6 | 748-50-167СП | Щуп | 1 | 0,160 |
| 7 | 748-50-168СП | Труба | 1 | 0,236 |
| 8 | — | Штифт 6u8×25 | 3 | |
| 9 | 748-50-196 | Ввергыш | 1 | 0,09 |
| 10 | 700-40-260-20 | Прокладка | 1 | 0,0017 |
| 11 | 748-50-555 10 | Корпу средуктора | 1 | 29,0 |
| 12 | 748-19-66 | Штифт | 4 | 0,1 |
| 13 | 748-50-500 | Ввертыш | 1 | 0,37 |
| 14 | 37104 | Пробка | 1 | 0,143 |
| 15 | 748-50-288 | Прокладка | 2 | 0,0004 |
| 16 | 748-50-466 | Муфта | 1 | 4,523 |
| 17 | 700-29-277 | Шпилька | 5 | 0,136 |
| 18 | 748-50-362 9 | Шестерня | 1 | 19,8 |
| 19 | ГОСТ 22038—76 | Шпилька М10×22.88.38ХС.029 | 10 | |
| 20 | 748-50-347 | Крышка | 1 | 2,25 |
| 21 | 748-50-134 | Прокладка | 7 | 0,006 |
| 22 | 700-39-133 | Кольцо пружинное | 1 | 0,056 |
| 23 | 748-50-346 | Маслоотражатель | 1 | 1,01 |
| 24 | 748-12-62 | Кольцо | 2 | 0,003 |
| 25 | ГОСТ 8338-75 | Подшипник 130Л | 2 | |
| 26 | ГОСТ 8338-75 | Подшипник 221 | 2 | |
| 27 | 748-50-133 | Стакан | 1 | 1,56 |
| 28 | 748-50-127 | Стакан | 2 | 1,049 |
| 29 | 351-19A | Гайка | 16 | |
| 30 | ГОСТ 397—79 | Шплинт 3,2×32 | 16 | |
| 31 | ГОСТ 11371—78 | Шайба 14.02 | 30 | |
| 32 | — | Штифт 6u8×20 | 4 | |
| 33 | 748-50-560 10 | Корпус редуктора | 1 | 31,6 |
| 34 | 01 265 | Сапун | 1 | 0,155 |
| 35 | 748-50-361 9 | Шестерня | 1 | 26.5 |
| 36 | 748-50-314 | Прокладка | 1 | 0,035 |
| 37 | 700-28-372 | Болт | 10 | 0,175 |
| 38 | 748-50-132 | Стакан | 1 | 1,35 |
|
9 Заказывать комплект 748-50-186СП. 10 Заказывать комплект 748-50-214СП. |
||||
| Поз. | Обозначение | Наименование | Кол-во | Масса |
| 1 | 748-50-549 | Прокладка | 1 | 0,007 |
| 2 | 748-50-211СП | Рычаг | 1 | 0,124 |
| 3 | ГОСТ 9833—73 | Кольцо 014-018-25-2-2 | 1 | |
| 4 | 700-50-164 | Стопор | 1 | 0,003 |
| 5 | 700-40-260-11 | Прокладка | 1 | 0,0007 |
| 6 | 700-37-317-01 | Пробка | 1 | 0,048 |
| 7 | 748-50-379 | Вилка | 1 | 0,170 |
| 8 | 748-50-554 | Муфта | 1 | 1,3477 |
| 9 | 700-38-2706 | Пружина | 1 | 0,024 |
| 10 | 748-50-552 11 | Корпус | 1 | 15,0 |
| 11 | 748-50-574 | Шестерня | 1 | 2,339 |
| 12 | ГОСТ 8338—75 | Подшипник 210 | 4 | 0,470 |
| 13 | 26837 | Кольцо замковое | 1 | 0,034 |
| 14 | 748-50-547 | Шестерня | 1 | 1,7113 |
| 15 | ГОСТ 7796 — 70 | Болт 3М10×25.46.019 | 10 | 0,022 |
| 16 | 700-29-356 | Шпилька | 4 | 0,02 |
| 17 | — | Штифт 10u8×25 | 2 | 0,0154 |
| 18 | ГОСТ 6402—70 | Шайба 8T 65Г 06 | 5 | 0,002 |
| 19 | ГОСТ 7796—70 | Болт 3М8×16.58.019 | 5 | 0,011 |
| 20 | 748-50-551 | Крышка | 1 | 0,530 |
| 21 | 748-50-548 | Прокладка | 1 | 0,002 |
| 22 | 748-50-553 11 | Крышка | 1 | 5,5 |
| 11 Заказывать комплект 748-50-217СП. | ||||





