Запасные части ЧТЗ Запасные части ЧТЗ
Горловка
Например:
Актобе
Алдан
или
Выбрать автоматически
Актобе
Алдан
Алматы
Алчевск
Архангельск
Астана
Астрахань
Атырау
Баку
Балашиха
Барнаул
Белгород
Бердянск
Бишкек
Владивосток
Владикавказ
Воркута
Воронеж
Горловка
Грозный
Донецк
Екатеринбург
Иваново
Ижевск
Иркутск
Казань
Калининград
Каменск-Уральский
Караганда
Каховка
Кемерово
Киров
Комсомольск-на-Амуре
Костанай
Краснодар
Красноярск
Красный луч
Ленск
Луганск
Магадан
Магнитогорск
Макеевка
Махачкала
Мелитополь
Минск
Мирный (Якутия)
Москва
Мурманск
Нерюнгри
Нижневартовск
Нижний Новгород
Нижний Тагил
Новая каховка
Новокузнецк
Новосибирск
Новый Уренгой
Норильск
Ноябрьск
Нур-Султан
Омск
Оренбург
Ош
Павлодар
Пермь
Петрозаводск
Петропавловск
Петропавловск-Камчатский
Псков
Ростов-на-Дону
Салехард
Самара
Санкт-Петербург
Саратов
Севастополь
Семей
Симферополь
Сочи
Ставрополь
Сургут
Сыктывкар
Тараз
Ташкент
Токмак
Томск
Тында
Тюмень
Ульяновск
Усинск
Усть-Каменогорск
Уфа
Хабаровск
Ханты-Мансийск
Херсон
Челябинск
Чита
Шымкент
Экибастуз
Энергодар
Южно-Сахалинск
Якутск
Ваш город
Горловка
Войти
Запасные части к тракторам на одном сайте
Отправить заявку


Гидравлическая система управления на Т-130


/
с НДС 20%
Описание
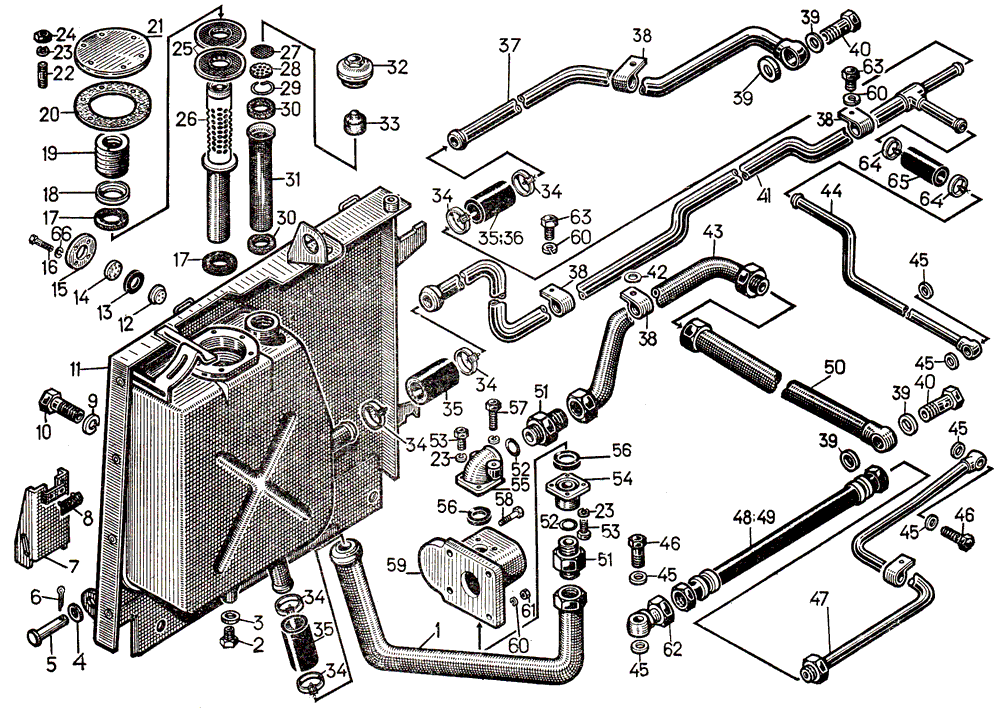
Гидравлическая система управления 24-56-4СП 2 и 20-56-3СП 3 на Т-130
# Номер запчасти Наименование детали Кол-во в сборке
17403СП Сапун 1
24-56-133СП Бак масляный 1
1 24-56-137СП Труба 1
2 28458 Болт 1
3 40920 Кольцо 1
4 3135 Шайба 1
5 50-55-7 Стержень 1
6 Шплинт 3,2×18 1
7 50-55-104СП Подножка 1
8 591044 Амортизатор 1
9 Шайба 24Т 65Г 09 4
10 Болт М24×60.109.40×019
11 24-56-134СП Бак 1
12 18-26-620 Отражатель 2
13 700-40-4695 Манжета 2
14 25741 Стекло 2
15 50-26-429 Крышка 2
16 Болт М6×14.58.019 6
17 700-40-6517 Прокладка 2
18 700-31-2042 Шайба 1
19 700-38-2243 Пружина 1
20 700-40-4332 Прокладка 1
21 24-56-23 Крышка 1
22 Шпилька М8×25.66.029 6
23 Шайба 8Т 65Г 09 6
24 Гайка М8.6.019 6
25 18-26-161СП Фильтр сетчатый 28
26 24-56-140СП Труба фильтра 1
27 17466 Сетка 1
28 17465 Донышко 1
29 17467 Кольцо 1
30 700-40-260-22 Прокладка 2
31 261030 Фильтр 1
32 17464 Сапун 1
33 42379 Набивка 1
34 700-41-2224СП Хомут 4
35 700-40-5967 Рукав 3
36 700-46-2157 Рукав 1
37 50-56-114СП Труба 1
38 261115 Хомут 3
39 261164 Кольцо 4
40 700-41-2575 Штуцер 2
41 24-56-143СП Труба 1
42 31308 Шайба 1
43 24-56- 104СП Труба 1
44 50-56-107СП Труба 1
45 40910 Кольцо 6
46 700-41-3306 Болт 2
47 50-56-115СП Труба 1
48 Н036.85.610 Рукав 11 Ø 16 1
49 Н036.85.700 Рукав 11 Ø 16 1
50 24-56- 115СП Труба 1
51 700-41-2488 Штуцер 2
52 700-40-2135 Кольцо 2
53 Болт M8×25.58.019 6
54 21-56-43 Муфта 1
55 21-56-44 Муфта 1
56 Кольцо У-40×35-2 2
57 Болт M8×55.58.019 2
58 Болт М10×45.58.019 1
59 Насос НШ-32 1
60 Шайба 10ОТ 65Г 09 6
61 Гайка М10.6.019 3
62 50-56-109СП Угольник 1
63 Болт М10×25.58.019 2
64 Хомут 30 2
65 700-46-2122 Рукав 1
66 Шайба 6Т 65Г 09 6
2 Для тракторов Т-130М, Т-130М-3.
3 Для тракторов Т-130МБ.
Гидравлическая система управления