Запасные части ЧТЗ Запасные части ЧТЗ
Горловка
Например:
Актобе
Алдан
или
Выбрать автоматически
Актобе
Алдан
Алматы
Алчевск
Архангельск
Астана
Астрахань
Атырау
Баку
Балашиха
Барнаул
Белгород
Бердянск
Бишкек
Владивосток
Владикавказ
Воркута
Воронеж
Горловка
Грозный
Донецк
Екатеринбург
Иваново
Ижевск
Иркутск
Казань
Калининград
Каменск-Уральский
Караганда
Каховка
Кемерово
Киров
Комсомольск-на-Амуре
Костанай
Краснодар
Красноярск
Красный луч
Ленск
Луганск
Магадан
Магнитогорск
Макеевка
Махачкала
Мелитополь
Минск
Мирный (Якутия)
Москва
Мурманск
Нерюнгри
Нижневартовск
Нижний Новгород
Нижний Тагил
Новая каховка
Новокузнецк
Новосибирск
Новый Уренгой
Норильск
Ноябрьск
Нур-Султан
Омск
Оренбург
Ош
Павлодар
Пермь
Петрозаводск
Петропавловск
Петропавловск-Камчатский
Псков
Ростов-на-Дону
Салехард
Самара
Санкт-Петербург
Саратов
Севастополь
Семей
Симферополь
Сочи
Ставрополь
Сургут
Сыктывкар
Тараз
Ташкент
Токмак
Томск
Тында
Тюмень
Ульяновск
Усинск
Усть-Каменогорск
Уфа
Хабаровск
Ханты-Мансийск
Херсон
Челябинск
Чита
Шымкент
Экибастуз
Энергодар
Южно-Сахалинск
Якутск
Ваш город
Горловка
Войти
Запасные части к тракторам на одном сайте
Отправить заявку


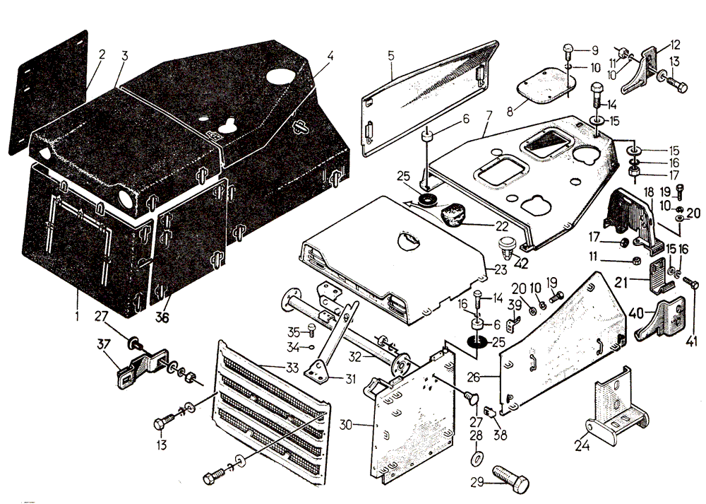
Капот негидрофицированных тракторов на Т-130


/
с НДС 20%
Описание
Капот для негидрофицированных тракторов 24-55-6СП
Установка утеплительных чехлов 24-55-5СП на Т-130
# Номер запчасти Наименование детали Кол-во в сборке
1 24-55-124СП Чехол решетки радиатора 1
2 24-55-123СП Чехол боковины 1
3 24-55-129СП Чехол крыши 1
4 24-55-130СП Чехол 1
5 24-55-112СП Створка 1
6 18-55-408 Колпачок 2
7 24-55-110СП Крыша 1
8 18-55-407 Крышка 2
9 Болт М10×20.58.019 8
10 Шайба 10ОТ 65Г 09 46
11 Гайка М10.6.019 18
12 24-55-96 Кронштейн 1
13 Болт М10×30.58.019 12
14 Болт М12×25.58.019 8
15 3135 Шайба 16
16 Шайба 12ОТ 65Г 09 12
17 3011 Гайка 10
18 50-55-108СП Опора крыши 1
19 Болт М10×25.58.019 12
20 31308 Шайба 32
21 24-55-145 Крючок 2
22 700-40-3727 Амортизатор I
23 50 55-142СП Крыша 1
24 50-55-144СП Шарнир 2
25 700-40-3726 Амортизатор 2
26 24-55-111СП Створка 1
27 Болт М10×25.58.019 14
28 Шайба 24Т 65Г 09 4
29 Болт М24×60.109.40×019 14
30 50-55-141СП Боковина 1
31 24-55-135СП Упор 1
32 24-55-106СП Труба 1
33 24-55-107СП Решетка 1
34 Шайба 8Т 65Г 09 4
35 Болт М8×16.58.019 4
36 24-55-122СП Чехол боковины 1
37 24-55-125 Крючок 2
38 50-55-12 Крючок 1
39 50-55-111 Скоба 1
40 24-55-97 Кронштейн 1
41 Болт М12×30.58.019 4
42 700-40-55,65 Пистон 8
Капот негидрофицированных тракторов