Запасные части ЧТЗ Запасные части ЧТЗ
Горловка
Например:
Актобе
Алдан
или
Выбрать автоматически
Актобе
Алдан
Алматы
Алчевск
Архангельск
Астана
Астрахань
Атырау
Баку
Балашиха
Барнаул
Белгород
Бердянск
Бишкек
Владивосток
Владикавказ
Воркута
Воронеж
Горловка
Грозный
Донецк
Екатеринбург
Иваново
Ижевск
Иркутск
Казань
Калининград
Каменск-Уральский
Караганда
Каховка
Кемерово
Киров
Комсомольск-на-Амуре
Костанай
Краснодар
Красноярск
Красный луч
Ленск
Луганск
Магадан
Магнитогорск
Макеевка
Махачкала
Мелитополь
Минск
Мирный (Якутия)
Москва
Мурманск
Нерюнгри
Нижневартовск
Нижний Новгород
Нижний Тагил
Новая каховка
Новокузнецк
Новосибирск
Новый Уренгой
Норильск
Ноябрьск
Нур-Султан
Омск
Оренбург
Ош
Павлодар
Пермь
Петрозаводск
Петропавловск
Петропавловск-Камчатский
Псков
Ростов-на-Дону
Салехард
Самара
Санкт-Петербург
Саратов
Севастополь
Семей
Симферополь
Сочи
Ставрополь
Сургут
Сыктывкар
Тараз
Ташкент
Токмак
Томск
Тында
Тюмень
Ульяновск
Усинск
Усть-Каменогорск
Уфа
Хабаровск
Ханты-Мансийск
Херсон
Челябинск
Чита
Шымкент
Экибастуз
Энергодар
Южно-Сахалинск
Якутск
Ваш город
Горловка
Войти
Запасные части к тракторам на одном сайте
Отправить заявку


Регулирование топливного насоса с регулятором Т-170 Б-170 ТНВД трактора в Горловке


/
с НДС 20%
Описание

Регулирование и обкатка топливного насоса Т-170 на стенде

Регулируйте топливный насос на стенде КИ-22201 или КИ-921М (СДТА-2) в сборе с регулятором, фильтром тонкой очистки топлива и топливоподкачивающим насосом.

Топливный насос подвергается следующим регулированиям и испытаниям: регулирование кулачкового механизма (толкателей) на момент начала подачи топлива, установка полного хода тяги рейки, обкатка, регулирование количества подаваемого топлива секциями насоса, регулирование упоров максимальной и минимальной частот вращения регулятора.

Регулирование кулачкового механизма (толкателей) на момент начала подачи топлива

Снимите секции, крышки корректора, бокового люка блока насоса и люков регулятора.

Схема приспособления для установки кулачкового валика на момент начала подачи

Рис. 176. Схема приспособления для установки кулачкового валика на момент начала подачи (кулачковый валик установлен в положение, соответствующее моменту начала подачи топлива первой секцией)

Прижмите винтом 3 ( рис. 176 ) приспособление к привалочной плоскости корпуса регулятора. Опустите накидной рычаг 5 на шестерню так, чтобы зуб стрелки 6 вошел без зазора во впадину зубьев, против которой имеется метка-керн 1 и цифра «1». Опорный ролик 2 не должен препятствовать вращению шестерни привода, но не должен отходить от поверхности зубьев более чем на 0,5 мм.

Установите вращением по часовой стрелке шестерни привода стрелку приспособления на нулевое деление шкалы 4. При этом первый кулачок валика насоса будет установлен в положение начала подачи топлива, а расстояние В между осью впадины зубьев с меткой 1 и привалочной плоскостью корпуса регулятора должно быть равно

73 мм для дизеля Д-160 и для дизеля Д-160Б (или 74 мм от метки-керна на шестерне для дизелей Д-160 и Д-160Б). Крайние деления на шкале приспособления соответствуют допуску 0,4 мм на указанные размеры.

Схема проверки и регулирования топливного насоса на момент начала подачи топлива

Рис. 177. Схема проверки и регулирования топливного насоса на момент начала подачи топлива (первой секцией)
  1. — шестерня коленчатого вала;
  2. — шестерня распределительного вала (большой венец);
  3. — шестерня распределительного вала (малый венец);
  4. — шестерня топливного насоса;
  5. — кулачок первый;
  6. — секция топливного насоса;
  7. — моментоскоп;
  8. — топливопровод высокого давления;
  9. — трубка резиновая;
  10. — трубка стеклянная;
  11. — в. м. т. поршня;
  12. — положение поршня первого цилиндра на ходе сжатия;
  13. — указатель на кожухе маховика;
  14. — маховик;

А = (45,5±0,05) мм — расстояние от верхней плоскости корпуса топливного насоса до опорной поверхности хвостовика толкателя;
B = (73±0,4) мм для дизелей Д-160 и Д-160Б — расстояние от привалочной плоскости корпуса регулятора до оси впадины зубьев, отмеченной меткой;
D = (24±l)° для дизелей Д-160 и Д-160Б — смещение метки «ВМТ1-4Ц» на маховике относительно указателя

Установите, при положении стрелки приспособления на нулевом делении шкалы, размер А (45,5±0,05) мм ( рис. 177 ) от верхней плоскости блока до упорной поверхности регулировочного хвостовика толкателя первой секции.

Приспособление для регулирования толкателей топливного насоса

Рис. 178. Приспособление для регулирования толкателей топливного насоса
  1. — головка индикаторная;
  2. — ключ для вывертывания хвостовика толкателя;
  3. — ключ для затяжки контргайки;
  4. — хвостовик толкателя;
  5. — контргайка

Законтрите хвостовик контргайкой и снова проверьте размер А. Размер А устанавливайте и проверьте с помощью индикаторного приспособления ( рис. 178 ), устанавливаемого на блок, или глубиномером.

Перед установкой индикаторного приспособления плоскость блока протрите и зачистите выступающие забоины. Приспособление установите на штифты блока без перекоса и плотно прижмите к плоскости блока винтами. Правильность установки приспособления проверьте щупом толщиной 0,03 мм, который не должен проходить между плоскостями блока и приспособления.

Индикатор приспособления настраивайте на нулевое деление шкалы при помощи специального калибра-шаблона.

Специальные ключи для установки хвостовика толкателя и затяжки контргайки и хвостовика

Рис. 179. Специальные ключи для установки хвостовика толкателя и затяжки контргайки и хвостовика

Завертывайте или отвертывайте, контрите гайкой регулировочный хвостовик толкателя специальным ключом ( рис. 179 ), вставленным в приспособление с индикатором или ключами ПИМ-640.200.03 и ПИМ-640.200.04 ( рис. 180 ).

Регулирование начала впрыска с помощью ключей ПИМ-640.200.03 и ПИМ-640.200.04

Рис. 180. Регулирование начала впрыска с помощью ключей ПИМ-640.200.03 и ПИМ-640.200.04

По окончании регулирования толкателя первой секции последовательным поворачиванием шестерни привода по часовой стрелке на 90, 180 и 270° отрегулируйте также толкатели третьей, четвертой и второй секций. При каждом повороте шестерни вводите зуб стрелки приспособления во впадину, против которой нанесена соответствующая метка, и устанавливайте стрелку на нулевое деление шкалы.

При регулировании кулачкового механизма на момент начала подачи топлива шестерню привода вращайте только по часовой стрелке, не допуская обратных поворотов.

Установка полного выхода тяги рейки

Установка полного выхода тяги рейки

Рис. 181. Установка полного выхода тяги рейки

Установите вращением регулировочной муфты 1 ( рис. 181 ) расстояние А от плоскости блока 2 до торца муфты, равным (26,5±0,2) мм при вытянутой тяге рейки до упора стопорного кольца в переднюю плоскость блока. Вложите в паз регулировочной муфты и тяги стопорный угольник, наверните и затяните контргайку. Момент затяжки гайки не менее 20 Н-м (2 кгс-м). Соедините тягу рейки с двуплечим рычагом регулятора регулируемой тягой.

Обкатка топливного насоса

Обкатка топливного насоса производится с топливопроводами высокого давления и форсунками, отрегулированными на нормальное давление начала впрыска топлива.

Установите на насос секции и рейку, установите крышки люков. Проверьте затяжку болтов и гаек крепления секций, крышек люков и других соединений.

Установите насос на стенд и прикрепите предварительно к кронштейну. Залейте в насос масло до уровня заливного отверстия. Соедините вал насоса с валом стенда. Прокрутите вручную на два оборота вал привода стенда, после чего окончательно закрепите кронштейн к столу стенда.

Включите электродвигатель стенда и откройте ключом 27349 продувочный вентиль на фильтре тонкой очистки. Откройте поочередно продувочные вентили на секциях насоса и выпустите воздух из топливного насоса (выходящая струя топлива не должна содержать пузырьков воздуха).

Обкатайте насос в течение не менее 35 мин при полной подаче топлива (регулировочная муфта касается пружины корректора без ее деформации) и частоте вращения кулачкового валика насоса (600±25) мин-1 для дизеля Д-160 и (500±25) мин-1 для дизеля Д-160Б.

Во время обкатки течь масла или топлива через места уплотнений не допускается. Проверьте на ощупь степень нагрева трущихся деталей. Не допускается нагрев трущихся деталей выше 353 К (80 °С).

После обкатки проверьте герметичность обратных клапанов секций. Включите стенд и, передвигая взад и вперед тягу рейки, убедитесь в отсутствии пропуска клапанами и вытекания из штуцеров топлива при положении рейки на включенной подаче топлива.

Проверка регулирования насоса на момент начала подачи топлива моментоскопом

Моментоскопом проверяйте насосы, у которых установлены новые или малоизношенные плунжерные пары. Моментоскоп 7 ( см. рис. 177 ) представляет собой отрезок топливопровода 8 высокого давления с прикрепленной к нему посредством резиновой трубки 9 стеклянной трубки 10. Установите моментоскоп на штуцер первой секции 6.

Секцию прокачайте, чтобы в стеклянной трубке не было пузырьков воздуха. Поворачивайте шестерню привода до тех пор, пока топливо, подаваемое плунжером, не заполнит частично стеклянную трубку, затем медленно поворачивая по часовой стрелке шестерню, определите момент начала движения мениска (уровня топлива) в стеклянной трубке. Положение шестерни привода насоса в момент начала движения мениска в стеклянной трубке должно быть таким, чтобы расстояние В от центра метки-керна с цифрой 1 на ободе шестерни до привалочной плоскости корпуса регулятора было равно (74±0,4) мм [или от оси впадины зубьев с меткой до привалочной плоскости регулятора — (73±0,4) мм]. Это соответствует началу подачи топлива насосом в тот момент, когда коленчатый вал дизеля не доходит до верхней мертвой точки на угол D=(24±1)° у дизелей Д-160 и Д-160Б.

Если момент начала движения мениска не соответствует указанному положению шестерни привода, допускается вывертыванием или завертыванием регулировочного хвостовика толкателя изменить размер А от верхней плоскости блока насоса до упорной поверхности хвостовика до величины (45,5±0,1) мм. Дальнейшими поворотами шестерни привода по часовой стрелке проверьте аналогично момент начала подачи остальными секциями, т.е. 3-й, 4-й, 2-й.

Регулирование топливного насоса Т-170 на количество и равномерность подачи топлива

При регулировании количества подаваемого топлива тягу рейки закрепите в положении подачи (регулировочная муфта касается пружины корректора без ее деформации), а под пружину корректора подложите щуп толщиной 3,6 мм для дизелей Д-160 и Д-160Б. Насос регулируется с подсоединенными к секциям насоса топливопроводами высокого давления и форсунками.

Топливопроводы высокого давления, применяемые для регулирования насоса, должны быть для всех четырех секций одинаковой длины (990 мм) и иметь одинаковое проходное сечение.

Форсунки должны быть отрегулированы на давление впрыска и качество распыла топлива и иметь одинаковую пропускную способность. Для сбора топлива форсунки установите в специальные глушители стенда, в которых впрыскиваемое распыленное топливо собирается, и из них через сливную трубку и механизм переключения потока топлива вытекает в мензурки.

Установите на стенд топливный насос, предварительно отрегулированный и проверенный на момент подачи топлива, заправьте маслом. Включите стенд и установите механизм переключения потока топлива так, чтобы топливо, впрыскиваемое форсунками, переливалось в бак. Убедитесь во время работы насоса с форсунками, нет ли течи топлива, в соединениях. Устраните обнаруженные течи. Проверьте при закрепленной тяге рейки в положении полной подачи количества подаваемого топлива каждой секцией, при сборе топлива из форсунок в мензурки.

Подача топлива каждой секцией за 500 рабочих ходов плунжера должна быть в пределах, указанных в таблице.

Регулирование секции на подачу топлива
Дизель Количество подаваемого топлива за 500 ходов плунжера, см³ Полный вы­ход тяги рейки, мм Частота вращения валика насоса, мин-1 Толщина щу­па, подкладываемого под пружину корректора, мм
Д-160 123 ±1,84 26,5 ±0,2 625 ±10 3,6
Д-160Б 122 ±1,83 26,5 ±0,2 535 ±10 3,6

Проверьте равномерность подачи топлива секциями при выходе тяги рейки на 9,5 мм от плоскости блока и частоте вращения валика насоса (250±20) мин-1. Разница в подаче секциями не должна превышать 9 см³ (работают все четыре секции) за 500 рабочих ходов плунжера при значении подачи не менее 55 см³.

Уровень топлива определяйте по нижнему мениску, а объём определяется по шкале, нанесенной на мензурке. Если собранное количество топлива, подаваемое секцией, больше или меньше необходимого, отрегулируйте соответствующие секции поворотом зубчатого сектора относительно плунжера. Для этого ослабьте ключом ПИМ-640.200.01 стяжной винт сектора и ключом ПИМ-640.200.05 проворачивайте Плунжер: по часовой стрелке (если, смотреть снизу) для увеличения подачи; против часовой стрелки — для уменьшения.

Если при проверке оказалось, что все секции подают топливо с отклонением от требуемой величины, а максимальная разность в подачах между секциями не превышает 3,6 см³, то отрегулируйте подачу топлива в указанных выше пределах поворачиванием регулировочной муфты тяги рейки, но не более чем на 0,5 оборота.

Вторая и третья секции насоса должны отключать подачу топлива через форсунки при выходе тяги рейки на 13,8 мм и частоте вращения валика насоса (625±20) мин-1 для дизеля Д-160 и при частоте вращения (535±20) мин-1 для дизеля Д-160Б: Проверьте равномерность подачи топлива при выходе Тяги рейки на 13,8 мм и частоте вращения валика насоса (250±20) мин-1. Разница в подаче секциями (работают первая и четвертая секции) не должна превышать 6 см³ за 500 рабочих ходов плунжера при значении подачи не менее 25 см³.

Регулирование упоров максимальной и минимальной частот вращения регулятора Т-170

Установите тягу рейки в. положение полной подачи (муфта яги рейки касается пружины корректора, но не деформирует ее).

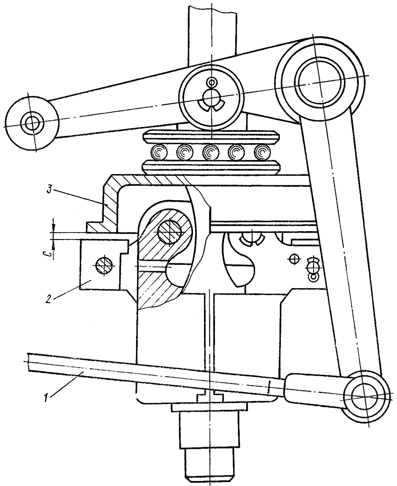
Проверка зазора между сухариками и муфтой регулятора

Рис. 182. Проверка зазора между сухариками и муфтой регулятора

Прижмите до отказа грузы регулятора к вертикальному валику регулятора, а муфту прижмите до отказа к роликам рычагов. Проверьте зазор С между муфтой 3 ( рис. 182 ) регулятора и сухариками 2, который должен быть в пределах 1,5...3 мм. Если зазор больше или меньше, то соответственно увеличьте или уменьшите длину тяги.

Поставьте наружный рычаг регулятора в положение максимальной подачи, пустите стенд и, увеличивая частоту вращения валика насоса, определите начало отхода регулировочной муфты на тяге рейки от пружины корректора.

Упор максимальной частоты вращения

Рис. 183. Упор максимальной частоты вращения

Установите, вращением болта 1 упора максимальной частоты вращения ( рис. 183 ) упор 2 так, чтобы начало отхода регулировочной - муфты от пружины корректора происходило при (635±10) мин-1 для дизеля Д-160 или (545±10) мин-1 для дизеля Д-160Б. Полное выключение подачи топлива должно происходить при 700 мин-1, не более, для дизеля Д-160 и при 620 мин-1, не более, для дизеля Д-160Б.

Упор минимальной частоты вращения

Рис. 184. Упор минимальной частоты вращения

Передвиньте наружный рычаг регулятора вперед и установите частоту вращения кулачкового валика насоса (250±20) мин-1. Доведите вращением болта 1 ( рис. 184 ) упора минимальной частоты вращения упор 2 до соприкосновения с плечом трехплечего рычага. При указанной частоте вращения кулачкового валика насоса расстояние между торцом регулировочной муфты на тяге рейки и плоскостью корпуса насоса должна быть 13,8 мм для дизелей Д-160 и Д-160Б.

При переводе наружного рычага регулятора в положение максимальной подачи и снижения частоты вращения велика насоса до 350 мин-1 муфта тяги рейки должна под действием пружины регулятора прижать пружину корректора к плоскости блока насоса.

Наружный рычаг регулятора после регулировки должен отклоняться вперед к фланцу регулятора на угол 10...30° и назад к насосу на угол 35.55°.

Проверка и регулирование момента подачи топлива секциями на дизеле

Установите на штуцер проверяемой секции моментоскоп, поставьте рычаг акселератора в положение полной подачи. Проверните осторожно по часовой стрелке вал дизеля вручную через пусковой двигатель, наблюдая одновременно за уровнем топлива ц стеклянной трубке моментоскопа. Момент начала движения топлива в стеклянной трубке соответствует началу подачи топлива плунжером.

В этом положении метка «ВМТ 1—4 Ц» или «ВМТ 2—3 Ц» на маховике не должна доходить до острия указателя на угол (24±1)° для дизелей Д-160 и Д-160Б.

Если начало подачи топлива происходит раньше или позже, отрегулируйте момент начала подачи топлива вывертыванием или завертыванием регулировочных хвостовиков толкателей. Для этого снимите крышку люка блока насоса. секции и рейку насоса. Вращайте маховик до тех пор, пока метка на маховике «ВМТ 1—4 Ц» или «ВМТ 2—3 Ц» не дойдет до острия указателя на угол (24±1)° для дизелей Д-160 и Д-160Б.

Определите при указанном положении маховика цилиндр, в котором происходит сжатие, и у толкателя секции, подающей топливо в этот цилиндр, вывертыванием или завертыванием регулировочного хвостовика толкателя установите размер А от верхней плоскости блока насоса до опорной площадки хвостовика толкателя (45,5±0,05) мм ( см. рис. 177 ). Законтрите хвостовик контргайкой. Отрегулируйте так же все четыре толкателя. Установите секции и рейку, проверьте момент начала подачи топлива моментоскопом, как указано выше. Если момент начала подачи топлива не соответствует указанной величине, допускается увеличить или уменьшить размер А до величины (45,5±0,1) мм.

При таком регулировании нарушается заводская установка регулировочных хвостовиков и при установке новых секций требуется восстановление заводского регулирования.

Помните, что при большом вывертывании толкателей возможно упирание верхнего торца плунжера в гнездо обратного клапана, поэтому после всякого вывертывания регулировочного хвостовика осторожно опробуйте подъем плунжера повертыванием коленчатого вала дизеля вручную через пусковой двигатель.

Регулирование упоров максимальной и минимальной частот, вращения регулятора на дизеле и на тракторе Т-170

Для получения нормальной частоты вращения вала дизеля регулятор отрегулируйте следующим образом. Снимите крышки заднего, верхнего и бокового люков корпуса регулятора. Проверьте правильность соединения тяги рейки с двуплечим рычагом регулятора при помощи регулировочной тяги.

Закройте после указанной проверки боковой люк крышкой. Пустите дизель, передвиньте рычаг акселератора до отказа вверх, при этом дизель . Д-160 должен развивать без нагрузки 1290...1340 мин-1, дизель Д-160Б — 1100...1160 мин-1, а при работе под полной нагрузкой дизель Д-160 — (1250±30) мин-1; дизель Д-160Б — (1070±30) мин-1, обеспечивая максимальную мощность 117 кВт (160 л.с.) — дизель Д-160 или 103 кВт (140, л.с.) — дизель Д-160Б при стандартных атмосферных условиях, температуре и плотности топлива. Поверните регулировочный болт 1 упора максимальной частоты вращения (см. рис. 183) с помощью торцового ключа (при снятой стопорной муфте) или отвертки, вставленной в шлицы стопорной муфты, уменьшая или увеличивая частоту вращения дизеля, доведите их до вышеуказанных величин. Для облегчения вхождения запрессованных в крышку заднего верхнего люка стопорных штифтов в шлицы муфт при установке крышки, при ее снятии нанесите метки на верхней плоскости корпуса, регулятора и стопорных муфтах. После регулирования муфты наденьте на головки болтов упоров минимальной и максимальной частот вращения так, чтобы эти метки совпали.

Передвиньте наружный рычаг регулятора (передвиньте рычаг акселератора вниз), доведя, внутреннее плечо трехплечего рычага регулятора до касания в торец упора минимальной частоты вращения, при этом дизель должен развивать минимальную частоту вращения холостого хода в пределах 500...550 мин-1.

Если минимальная частота вращения выходит за эти пределы, завертыванием или отвертыванием регулировочного болта 1 ( см. рис. 184 ) установите частоту вращения в требуемых пределах.

Частоту вращения дизеля определяйте тахометром, присоединяемым к центру валика 5 ( см. рис. 144 ) привода работомера (при снятом фланце 12). При этом имейте в виду, что валик работомера вращается с меньшей в два раза частотой вращения, чем коленчатый вал дизеля.

После регулирования наденьте на головки болтов упоров максимальной и минимальной частот вращения стопорные муфты так, чтобы совпали метки на муфтах и на верхней плоскости регулятора, и закройте люк крышкой так, чтобы оба стопорных штифта, запрессованные в крышку, вошли в шлицы стопорных муфт.

Регулировка подачи топлива на Т-170

Проверка автоматического отключения подачи топлива второй и третьей секциями насоса

После установки насоса на дизель проверьте работу автоматического отключения 2-го и 3-го цилиндров. Отсоедините при работающем дизеле на холостом ходу топливопроводы высокого давления 2-й и 3-й секций насоса. Если подачи топлива нет, то отключение работает нормально, если подача есть, то убедитесь в отсутствии подачи топлива через форсунку, для чего подсоедините отрегулированную форсунку поочередно к 2-й и 3-й секциям, При.работе на холостом ходу не должно быть подачи топлива через форсунки этих секций.

Проверка и регулирование момента подачи топлива секциями насоса на тракторе

Отсоедините топливопроводы высокого давления от насоса и наверните моментоскоп 7 ( см. рис. 177 ) на первую секцию топливного насоса.

Снимите среднюю панель пола и верхнюю крышку кожуха муфты сцепления для наблюдения за делениями на торцовой поверхности маховика и указателем на кожухе муфты сцепления. Включите декомпрессор и ускоренную передачу редуктора пускового двигателя и прокрутите вручную коленчатый вал дизеля с помощью механизма проворачивания вала пускового двигателя. Коленчатый вал проворачивайте до тех пор, пока не заполнится стеклянная трубка моментоскопа И в ней не будет пузырьков воздуха. Встряхните стеклянную трубку, чтобы топливо не полностью заполняло ее. Проверните коленчатый вал дизеля до тех пор, пока не дрогнет мениск (уровень топлива) в стеклянной трубке. В момент начала движения мениска первой секции метка «ВМТ 1—4Ц» на торце маховика не должна доходить до острия указателя, закрепленного внутри кожуха муфта сцепления на угол (24±1)° для дизеля Д-160 и Д-160Б. Поворотом маховика на 180° проверьте угол опережения подачи топлива остальными секциями (в порядке работы цилиндров).

При наличии отклонений по моменту подачи от указанных величин, проверьте размер (45,5±0,05) мм от верхней плоскости блока насоса до опорного торца хвостовика толкателя. Незначительное изменение регулирования момента подачи топлива (до 4°) можно провести за счет вывертывания хвостовика-толкателя.

При этом помните, что излишнее вывертывание хвостовика-толкателя к упиранию плунжера в седло обратного клапана. Поэтому, осторожно поворачивая коленчатый вал дизеля, убедитесь в том, что плунжер не упирается в седло обратного клапана.

Регулирование топливного насоса с регулятором