Запасные части ЧТЗ Запасные части ЧТЗ
Горловка
Например:
Актобе
Алдан
или
Выбрать автоматически
Актобе
Алдан
Алматы
Алчевск
Архангельск
Астана
Астрахань
Атырау
Баку
Балашиха
Барнаул
Белгород
Бердянск
Бишкек
Владивосток
Владикавказ
Воркута
Воронеж
Горловка
Грозный
Донецк
Екатеринбург
Иваново
Ижевск
Иркутск
Казань
Калининград
Каменск-Уральский
Караганда
Каховка
Кемерово
Киров
Комсомольск-на-Амуре
Костанай
Краснодар
Красноярск
Красный луч
Ленск
Луганск
Магадан
Магнитогорск
Макеевка
Махачкала
Мелитополь
Минск
Мирный (Якутия)
Москва
Мурманск
Нерюнгри
Нижневартовск
Нижний Новгород
Нижний Тагил
Новая каховка
Новокузнецк
Новосибирск
Новый Уренгой
Норильск
Ноябрьск
Нур-Султан
Омск
Оренбург
Ош
Павлодар
Пермь
Петрозаводск
Петропавловск
Петропавловск-Камчатский
Псков
Ростов-на-Дону
Салехард
Самара
Санкт-Петербург
Саратов
Севастополь
Семей
Симферополь
Сочи
Ставрополь
Сургут
Сыктывкар
Тараз
Ташкент
Токмак
Томск
Тында
Тюмень
Ульяновск
Усинск
Усть-Каменогорск
Уфа
Хабаровск
Ханты-Мансийск
Херсон
Челябинск
Чита
Шымкент
Экибастуз
Энергодар
Южно-Сахалинск
Якутск
Ваш город
Горловка
Войти
Запасные части к тракторам на одном сайте
Отправить заявку


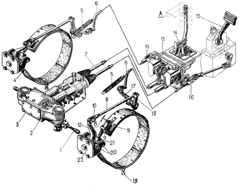
Регулирование механизма управления поворотом и тормозов Т-170 Б-170 трактора в Горловке


/
с НДС 20%
Описание
  1. Снимите панели пола, крышки люков корпуса бортовых фрикционов и отсоедините обе тяги 7 ( см. рис. 219 ) от сервомеханизма 3. Подожмите рычагами 2 поршни сервомеханизма до упора в гильзы, завертывая шаровые гайки 1. Вращая вилки, установите длину тяг 7 от сервомеханизма к механизму управления поворотом 13 так, чтобы рычаг 14 управления находился в вертикальном положении при осевом люфте тяг 7 не более 1 мм. Люфт тяг проверяйте при затянутых контргайках вилок тяг. Зашплинтуйте пальцы вилок тяг.

    Отверните шаровые гайки 1, установив свободный ход рычага 14 механизма управления поворотом, замеренный по концу рукоятки в пределах 55...80 мм (размер А) вправо и влево от вертикали, что соответствует 7...10 мм хода тяг 7 сервомеханизма.


  2. Тормоза регулируйте по мере износа фрикционных накладок тормозных лент 4 и при замене накладок. Регулирование тормозов должно обеспечить полную затяжку ленты 4 тормоза (наружный барабан бортового фрикциона должен резко останавливаться) при ходе на себя рычага управления поворотом со стороны выключенного бортового фрикциона.

    Снимите задний щиток, крышки верхних люков корпуса бортовых фрикционов и ослабьте болты 19, ввернутые в днище корпуса.

    Регулируйте зазор между лентой и наружным барабаном бортового фрикциона вращением регулировочной гайки 9. При положении двуплечего рычага 12, соответствующем полному отключению тормоза, верхняя ветвь ленты силой собственной упругости должна отжиматься от барабана до касания регулировочной гайки в гнездо упора 11.

    По окончании регулирования заверните болты 19 в днище корпуса до их упора в ленты тормозов, после чего отверните их на 1...1,5 оборота и законтрите гайкой.

Регулирование механизма управления поворотом и тормозов